支腿
3842531145 力士樂支腿懸臂
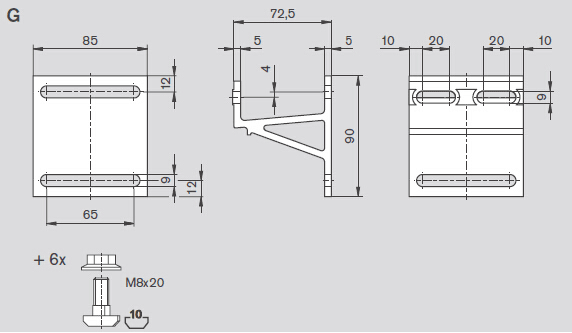
名稱:博世輸送段支腿懸臂VF65
部件號:3842531145
重量:0.025kg
產品系列:VF輸送系統
021-57893800工作時間:周一至周五 9:00-18:00
- 產品介紹
- 技術參數
- 產品圖片
采用支架可以將多個平行的輸送段安裝在一條支撐梁上。用于安裝盤旋緩沖庫的懸臂的尺寸與彎輪相配。
在輸送方向上的支撐間隔:2000 - 3000 mm, 根據載荷情況,在堆積區要相應小一些。
3842531145 力士樂支腿懸臂材料:鋁,陽*氧化自然色

規格 VF65 的支腿由支撐型材 60x60、端蓋、底板 120x120、固定組件 和支架組成。在一個水平輸送段上且不使用水槽的情況下,支架具有一個 80 mm 的高度調節范圍。








